電動浮筒液位計由四個基本部分組成:浮筒、彈簧、磁鋼室和指示器。浸在液體中的浮筒受到向下的重力,向上的浮力和彈簧彈力的復合作用。當這三個力達到平衡時,浮筒就靜止在某一位置(見圖1)。當液位發生變化時,浮筒所受浮力相應改變,平衡狀態被打破,從而引起彈力變化即彈簧的伸縮,以達到新的平衡。彈簧的伸縮使其與剛性連接的磁鋼產生位移。這樣,通過指示器內磁感應元件和傳動裝置使其指示出液位。限位開關的儀表即可實現液位信號的報警功能。
浮筒液位計可用來測量液位、界位和密度,既可輸出4-20mA的標準信號,又可以提供與之對應的HART通訊協議輸出。方便的手持通訊器可以在儀表輸出的任意一點對儀表進行組態調試。儀表采用了大屏幕LCD顯示屏,用以顯示過程變量和組態的數據。給儀表標定提供了方便。
浮筒液位計是根據阿基米德定律和磁藕合原理設計而成的液位測量儀表。并具有指針式現場指示功能??商峁┥舷孪尬粓缶盘栞敵?。儀表可用于敞口或壓力容器的液位和界面測量,特別適用于高溫,高壓的場合。測量精度高,穩定性能好,調試方便,標定簡單,**應用于石油、化工、冶金、電力、食品等行業。
電動浮筒液位計主要技術參數:
1、精度等級:0.5%、1.0%;
2、輸入信號:液位、界位或密度的變化;
3、輸出信號:模擬量:4-20mADC;
數字量:HART1200波特移頻鍵控(FSK)
4、負載能力:350Ω(48VDC供電時可為15Ω);
5、測量范圍:300、500、800、1200、1600、2500、3000mm(也可根據用戶要求 制作);
6、介質比重:0.4-1.4(介質比重差>0.2);
7、工作壓力:1.6、2.5、4.0、6.4、10.0、16.0MPa;
工作溫度:DLC3000系列數字式液位控制 -40—+70
浮筒液位傳感器及外筒 -110——+400
(對于用戶的特殊要求,可協商解決。)
8、供電電源:24VDC;
9、功率:0.5W;
10、防護等級:IP66; 隔爆型:ExdIICT6; 本質安全型:ExiaIICT6。
11、連接法蘭標準:可參照外形圖及安裝尺寸圖用戶如需配其它法蘭如:GB、SH、HGJ、ANSI等標準請在訂貨中說明,如有特殊要求可協商解決;
材質選擇: 用戶在選擇接液部分材質和內外筒材質時應參照表13和有關被測介質對接液部分的腐蝕輕重來選擇。以保證儀表在現場的正常運行。
安全柵的選擇:齊納安全柵LB805、LB830S(也可采用歐陸公司的MTL3041型)
浮筒液位計接線方式:









材質 | 過程溫度 | |
*小 | *大 | |
鑄鐵 | -29℃ | 232℃ |
鋼 | -29℃ | 427℃ |
不銹鋼 | -198℃ | 427℃ |
N05500(K蒙乃爾) | -198℃ | 371℃ |
石墨片/不銹鋼墊片 | -198℃ | 427℃ |
蒙乃爾/聚四氯乙烯 | -73℃ | 204℃ |
法蘭代號 | 公稱通徑DN(mm) | 公稱壓力PN MPa | 法蘭型式 | 執行標準 |
A | 40 | 2.5 | 平面法蘭 | JB/T82.1-94 |
4.0、6.4 | 凸面法蘭 | JB/T82.2-94 | ||
B | 6.4 | 凹面法蘭 | ||
C | 15 | 2.5 | 平面法蘭 | JB/T82.1-94 |
電動浮筒液位計組合圖:

電動浮筒液位計型號規格 | 含義 | 功能說明 | ||||||||||||
XT-FT | 電動浮筒液位變送器 | 名稱 | ||||||||||||
- | ||||||||||||||
II | 智能型 | |||||||||||||
J | 費希爾液位控制器 | 控制器選擇 | ||||||||||||
G | 進口件組裝液位控制器 | |||||||||||||
Y | 液位測量 | 測量功能選擇 | ||||||||||||
J | 界面測量 | |||||||||||||
A | 316L | 主體材質選擇 | ||||||||||||
B | 304 | |||||||||||||
C | 不銹鋼 | |||||||||||||
D | 碳鋼 | |||||||||||||
1.6 | PN1.6MPa | 工作壓力選擇 | ||||||||||||
2.5 | PN2.5MPa | |||||||||||||
4.0 | PN4.0MPa | |||||||||||||
6.3 | PN6.3MPa | |||||||||||||
10.0 | PN10.0MPa | |||||||||||||
X | 其它壓力等級 | |||||||||||||
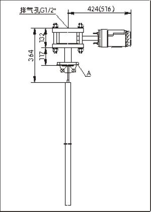
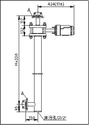
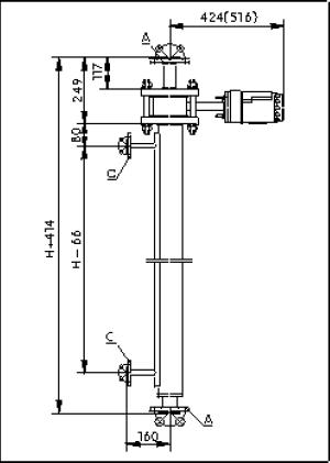
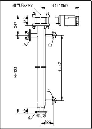
F1 | 外浮筒頂底式 | 安裝方式選擇 | ||||||||||||
F2 | 外浮筒頂側式 | |||||||||||||
F3 | 外浮筒側側式 | |||||||||||||
F4 | 外浮筒底側式 | |||||||||||||
F5 | 內浮筒頂置式 | |||||||||||||
F6 | 內浮筒側置式 | |||||||||||||
a | ≤介質溫度350℃ | 工作溫度選擇 | ||||||||||||
b | ≤介質溫度150℃ | |||||||||||||
1 | 本安型ExiaIICT2-T6 | 防爆標志 | ||||||||||||
2 | 隔爆型ExdIIBT2-T5 | |||||||||||||
3 | 非防爆(普通型) | |||||||||||||
介質密度 | 密度與測量范圍 | |||||||||||||
測量范圍 | ||||||||||||||
Z | 帶蒸汽夾套G1/2外螺紋 | 伴熱型式 | ||||||||||||
XT-FT - II Y C 4.0 F1 A /1 7 z | 標志示例XT-FT-II智能式電動浮筒液位變送器液位測量,不銹鋼材質,公稱壓力4.0MPa,外浮筒頂底式,介質溫度350℃,本安型帶安全柵LB788,帶蒸汽夾套。 | 選型舉例 | ||||||||||||




